三菱plc子程序調用與子程序返回指令使用方法
海藍機電文章分享:三菱plc子程序調用與子程序返回指令使用方法。
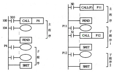
子程序調用指令CALL的操作數為P0~P62,子程序返回指SRET無操作數。
圖(a)中的X10為ON時,CALL指令使程序跳轉到指針CALL指令使程序跳轉到指針P8處,子程序被執行,執行完SRET指令后返回到104步。
子程序應放在FEND(主程序結束)指令之后,同一指針只能出現一次,CJ指令中用過的指針不能再用,不同位置的CALL指令可以調用同一指針的子程序。
圖(a)子程序調用(b)子程序的嵌套調用在子程序調用子程序稱為嵌套5級。
圖(b)中的CALL P11指令僅在X0由OFF變為ON時執行一次。在執行子程序1時,如果X1為ON,CALL P12指令被執行,程序跳到P12處,嵌套執行子程序2。執行第二條SRET指令后,返回子程序1中CALL P12指令的下一條指令,執行第一條SRET指令后返回主程序中CALLP11指令的下一條指令。
以上就是關于三菱plc子程序調用與子程序返回指令使用方法的全部內容了。
深圳市海藍機電設備有限公司(m.hai-cheng.cn)專業經營:三菱PLC、三菱伺服電機、三菱變頻器、三菱觸摸屏等工控自動化產品的批發和代理工作。
電話:0755-88356296(10線) 吳經理:13823726967
本文原創自:深圳海藍機電設備有限公司,轉載請注明出處:http://m.hai-cheng.cn/article/865.html.




評論信息