
- 三菱PLC模塊FX3U-64CCL用戶手冊|操作手冊中文版免費下載
-
FX3U-64CCL用戶手冊中文版,FX3U-64CCL使用手冊,FX3U-64CCL操作說明
三菱PLC模塊FX3U-64CCL是CC-Link系統的接口模塊,FX3U 64CCL用于連接到CC-Link的FX3G,FX3U,FX3GC,FX3UC主機單元的特殊功能模塊!
文件格式:PDF ...

- 三菱FB使用手冊 |三菱FB用戶手冊 簡單易懂(入門篇) 下載
-
三菱綜合FA軟件MELSOFT GX Works2FB快速入門指南
三菱FB使用手冊 |三菱FB用戶手冊|三菱FB操作手冊免費下載|三菱FB使用說明書
“簡單”“易讀”“減少工時”讓我們開始FB吧!
文件格式:PDF 文件大小:3.6MB 頁數:48頁
...

- 三菱iQ-R CPU用戶手冊 MELSEC iQ-R CPU模塊用戶手冊(入門篇)
-
三菱iQ-R CPU用戶手冊 MELSEC iQ-R CPU模塊用戶手冊(入門篇)
MELSEC iQ-R CPU模塊用戶手冊(入門篇)-三菱iQ-R系列CPU用戶手冊中文版免費下載!使用手冊,操作手冊,操作說明,使用說明
本手冊是用于讓...

- 三菱QnUCPU用戶手冊(內置以太網端口通信篇)
- 三菱QnUCPU用戶手冊(內置以太網端口通信篇)
三菱QnUCPU用戶手冊,三菱QnUCPU使用手冊,三菱QnUCPU操作手冊中文版下載,三菱以太網CPU
三菱以太網端口內置QCPU型號有:Q03UDVCPU、Q03UDECPU、Q04UDVCPU、Q04UDEHCPU、Q06UDVCPU、Q06UDEHCPU、Q10...

- 三菱變頻器控制終端選項FR-E7TR手冊下載
-
三菱變頻器控制終端選項FR-E7TR手冊下載|FR-E7TR現貨庫存
產品型號:FR-E7TR
類別:指導手冊
品牌:三菱
產品名稱:變頻器控制終端選項
文件語言:英文
...

- 三菱伺服電機HG-KN各系列-S100使用手冊
-
三菱伺服電機HG-KN_-S100技術資料集,HG-SN_-S100伺服電機技術資料集,三菱HG-KN伺服電機技術資料集,HG-SN伺服電機技術資料集,三菱HG-KN_-S100用戶手冊,三菱HG-SN_-S100用戶手冊,三菱HG-KN使用手冊,HG-SN使用手...

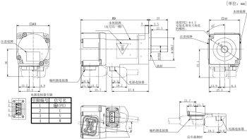
- MR-JE三菱伺服電機HG-KNJ-S100各系列外形尺寸圖
-
三菱MR-JE系列伺服驅動器有MR-JE-A、MR-JE-B、MR-JE-C三種,但它們所配的伺服電機都是通用的。
MR-JE伺服電機HG-KN不帶電磁制動器型號有:
HG-KN13J-S100、HG-KN23J-S100、HG-KN43J-S100、HG-KN73J-S100。
1、...

- 三菱PLC最新型號有那些?
-
三菱PLC最新型號有那些?
時代在進步科技在發展
三菱PLC的更新速度也是快的很
那么現在最新的三菱PLC有那些?
Top1:新款GT2505-VTBD|5.7寸觸摸屏|
GT2505-VTBD是三...

- FREQROL-CS80系列-凝縮多樣化功能,小型智能變頻器
-
FREQROL-CS80系列是三菱電機最新推出的小型智能變頻器。具備多樣功能,適合各種用途,是一款性價比極高的經濟型產品。
使用方便:
1) 擁有世界最小級...

- 三菱伺服放大器技術資料MR-JE-_C軌跡模式篇
-
三菱伺服放大器技術資料MR-JE-_C軌跡模式篇
海藍機電官網可為廣大三菱伺服電機用戶免費提供三菱伺服電機全系列的說明書、手冊、資料集等下載!其中包含有:三菱伺服放大器MR-JE-B系列資料集、三菱伺服電機HG-KN系列說明書、三菱伺服電...

- 三菱伺服放大器MR-JE-_C系列資料集下載
-
海藍機電官網可為廣大三菱伺服電機用戶免費提供三菱伺服電機全系列的說明書、手冊、資料集等下載!其中包含有:三菱伺服放大器MR-JE-B系列資料集、三菱伺服電機HG-KN系列說明書、三菱伺服電機選型手冊、三菱伺服電機MR-JN系列用戶手冊等。...

- 三菱變頻器FR-D700系列手冊(應用篇)下載
-
本站有三菱變頻器全系類產品的說明書、用戶手冊等下載,其中就有三菱變頻器E740系列說明書,三菱變頻器D700系列說明書等等!三菱變頻器FR-D700系列手冊(應用篇)與隨機器帶的三菱變頻器D700系類說明書不同的是,其更加詳細,更加實...

- 三菱變頻器FR-F740系列用戶手冊(應用篇)下載
-
海藍機電官網為您提供全系類的三菱變頻器產品說明書和用戶手冊下載,其中三菱變頻器用戶手冊分為使用手冊和應用篇手冊!此篇內容為三菱變頻器FR-E740系列用戶手冊(應用篇),除此之外本站也有三菱變頻器FR-E700系列使用手冊下載,即三菱...

- 三菱伺服電機MR-J4-A系列資料集下載
-
海藍機電官網可為廣大三菱伺服電機用戶免費提供三菱伺服電機全系列的說明書、手冊、資料集等下載!其中包含有:三菱伺服放大器MR-JE-B系列資料集、三菱伺服電機HG-KN系列說明書、三菱伺服電機選型手冊、三菱伺服電機MR-JN系列用戶手冊等。...

- 三菱伺服放大器MR-JE-B系列資料集下載
-
海藍機電官網可為廣大三菱伺服電機用戶提供各類三菱伺服電機產品的資料下載,其中包括:三菱伺服電機HG-SN系列說明書、三菱伺服放大器MR-JE-A資料集、三菱伺服電機MR-JE系列用戶手冊、三菱伺服電機MR-J4系列用戶手冊用戶手冊等!此篇下載...

- 三菱變頻器FR-F700系列用戶手冊(應用篇)下載
-
海藍機電官網可為您提供三菱變頻器說明書、三菱變頻器用戶手冊、三菱變頻器FR-F800系列說明書、三菱變頻器FR-F700系列說明書、三菱變頻器FR-F740系列說明書等各個三菱變頻器型號的說明書和用戶手冊下載。三菱變頻器說明書又分為用戶篇和應...

- 三菱變頻器FR-A700系列說明書下載
-
海藍機電官網可為您提供三菱變頻器說明書、三菱變頻器FR-A800系列說明書、三菱變頻器FR-F800系列說明書、三菱變頻器FR-A700系列說明書等各個三菱變頻器型號的用戶手冊和說明書下載。此篇下載內容為三菱A700系列說明書。
三菱...

- 三菱伺服電機HG-KN/HG-SN系列用戶手冊下載
- 本站可提供三菱伺服電機HG-KN系列用戶手冊, 三菱伺服電機HG-SN系列用戶手冊,三菱HG-KN伺服電機技術資料集,HG-SN伺服電機技術資料集,三菱HG-KN_-S100用戶手冊等下載,均為中文版,可無限次數免費下載!
本手冊主要介紹...

- 三菱伺服放大器MR-JE-A系列資料集下載
-
深圳市海藍機電官網可為您提供三菱伺服電機用戶手冊,三菱伺服電機HG-KN系列用戶手冊,三菱伺服放大器MR-JE-A系列資料集、三菱伺服放大器MR-JE-B系列資料集下載!另有三菱伺服產品資訊介紹、功能介紹、應用案例等可供閱覽!
三菱...

- 三菱變頻器FR-E700系列說明書下載
-
本站可提供各類型號的三菱變頻器說明書下載,其中包含的有三菱變頻器FR-A800系列說明書、三菱變頻器FR-F800系列說明書、三菱變頻器FR-A700系列說明書、三菱變頻器FR-E700系列說明書等。此篇內容為三菱變頻器FR-E700系列說明書,其也...
65 條記錄 2/4 頁
上一頁 下一頁 1 2 3 4